金屬管浮子流量計挑選與裝配要點先容
宣布時候:2027-02-09 ???
閱讀次數:
金屬管浮子流量計合用于小口徑和低流速介質流量丈量,有當場顯現型和智能遠傳型兩類,智能遠傳型帶有指針顯現、液晶顯現剎時/積累流量,規范的二線制4~20A電流輸入和HART通信等多種情勢,按照丈量管裝配體例的差別.金屬管浮子流量計丈量的流體的流向為下進上出、下進上橫出、下橫進上橫出、左進右出、右進左出的裝配體例.可按照用戶差別請求挑選差別的丈量管裝配情勢。

為了保障金屬管浮子流量計普通任務并到達請求的丈量精度.普通應注重以下幾點:
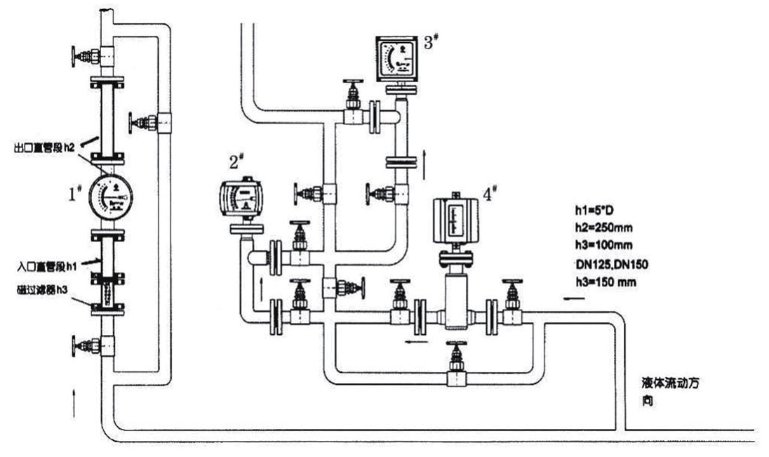
•儀表的高低游管道應與儀表的口徑不異,毗連法蘭或羅紋應與儀表的法蘭或羅紋婚配,儀表下流直管長度h應保障是儀表公稱口徑的5倍.下流直管段長度不少于250mm。
•金屬管浮子流量計垂直裝配時,流體自下而下流過流量計,且垂直度優于2°.程度裝配時程度夾角優于2°
•裝配在工藝管線上的金屬管浮子流量計應加旁路.以便處置毛病或吹洗時不影響出產:
•若是介質中含有鐵磁性物資應裝配磁過濾器:
•若是介質中含有固體雜質.招考慮在閥門和直管段之間加裝過濾器:
•當用于氣體丈量時.應保障管道壓力不小于5倍流量計的壓力喪失.以使浮子不變任務:
•若是被測介質的溫度高于220℃或流體溫度太低易發生結晶時.需采用隔熱掩護辦法時.應選用夾套型.以便停止冷卻或保溫:
•管道法蘭,緊固件、密封墊與流量計法蘭規范不異能力使儀表普通裝配運轉:
•該產物普通在裝配普通運轉后.不須要保護,毛病多發生在裝配方才啟動時.因為管道吹洗不清潔.而發生浮子被固體顆粒卡住景象.此時唆使器的指針停在一地位不動。這時候起首應封閉流量計雙方的閥門.而后拆下上法蘭,掏出浮子停止洗濯,再從頭裝好。注重緊固法蘭螺母要均衡擰緊.并墊好墊片:
•為了防止因為管道引發的流量計變形.工藝管線的法蘭必須與流量計的法蘭同軸并且彼此平行.恰當地管道支持以防止管道振動和減小流量計的軸向負荷。丈量體系中節制閥應裝配在流量計的下流:
•因為儀表是經由過程磁耦合通報旌旗燈號的.以是為了保障儀表的機能.裝配四周最少10cm處.不許可有鐵磁性物資存在:
•丈量氣體的儀表.是在特定壓力下校準的.若是氣體在儀表的出口間接排放到大氣.將會在浮子處發生氣壓降,并引發數據失真。若是是如許的工況前提.應在儀表的出口裝配一個閥門:
•帶有液品顯現的儀表.裝配時要盡可能防止陽光直射顯現器,以防止下降液品利用壽命。
•裝配PTFE襯里的儀表時,要出格謹慎。因為在不平均壓力的感化下,PFE會變形以是法蘭螺母不要隨便錯誤稱擰得過緊.以防止破壞PTFE襯層。